产品特性 | 客户收益 |
机泵同轴紧凑型设计 | 节约空间 |
无需圆盘的一体化锥形叶轮设计 | 提高了效率、性能和增值 |
更少的部件 | 长期运行稳定性提高并降低维护量 |
更大的真空和压力范围 | 有能力处理需要真空和压力的恶劣工况 |
多种不锈钢材质可选 | 满足不同材质需求 |
基于全球化的产品设计 | 宽广的直连驱动转速范围 |
100%性能测试 | 可保障无故障启动和运行 |

NASH液环压缩机出色的性能和可靠性已经过了100多年的实践证明,在各个工业应用担当着不可或缺的角色,可以满足更多工况的应用需求。NASH液环压缩机众所周知的可靠性,高于一般工业的标准设计。
SH75为一款全新设计的NASH液环压缩机,主要考虑应用于无需特殊养护的工业应用场合。结构简单,性能稳定,出厂100%测试。SH75液环压缩机是针对无菌包灌装机等应用的特殊工艺要求而设计,其独特的叶轮结构使真空泵部件高度集成、性能优越,维护量小,占地面积少。同时不锈钢的设计满足了耐腐蚀的工艺要求。
主要应用
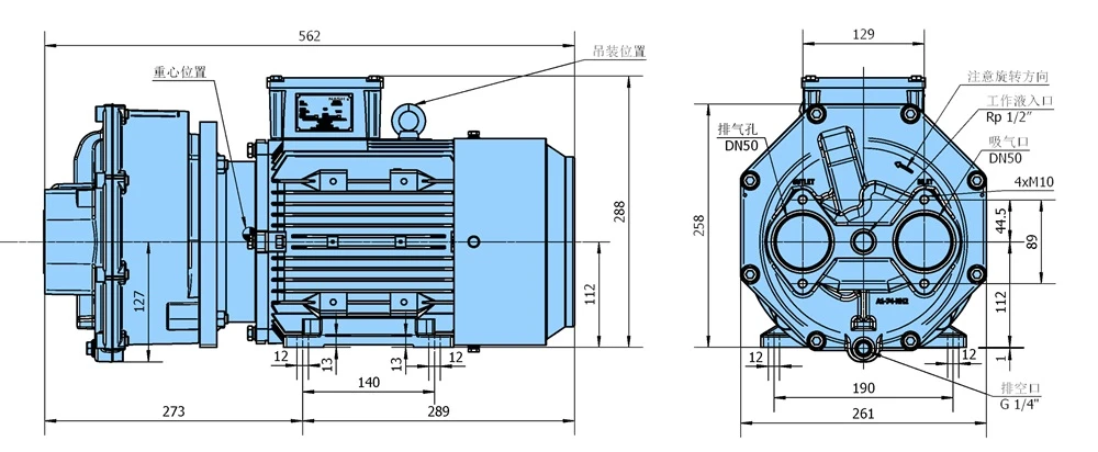
SH 75有两种材质可选 ,铸件泵是螺纹连接,不锈钢泵是法兰连接,设计紧凑,占地空间小。过流部件采用不锈钢材质,提高了耐腐蚀性,适用于更多苛刻的工况环境。
产品特性 | 客户收益 |
机泵同轴紧凑型设计 | 节约空间 |
无需圆盘的一体化锥形叶轮设计 | 提高了效率、性能和增值 |
更少的部件 | 长期运行稳定性提高并降低维护量 |
更大的真空和压力范围 | 有能力处理需要真空和压力的恶劣工况 |
多种不锈钢材质可选 | 满足不同材质需求 |
基于全球化的产品设计 | 宽广的直连驱动转速范围 |
100%性能测试 | 可保障无故障启动和运行 |
