特征 | 好处 |
共轴设计 | 更紧凑的占地空间 |
椎体叶轮,无需分配板 | 更优的效率和性能 |
零件数量更少 | 长期可靠性,减少维保量 |
可达到的真空和压力 | 能够应对需要背压和真空的复杂应用 |
多种不锈钢材质供选择 | 材料多样性 |
全球统一设计 | 泵转速范围宽 |
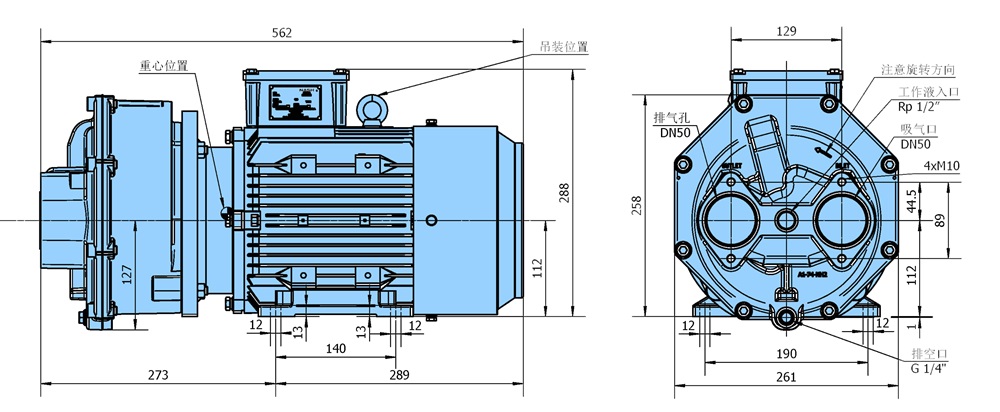
SH75 液环压缩机
SH75液环压缩机专为无菌袋装机及其他应用的特殊技术需求而设计。其独特的叶轮设计使整体结构简便、安装和维护方便,占用空间较小。同时,不锈钢设计符合耐腐蚀性要求
主要应用
- 无菌袋装注机
- 塑料挤出机
- 冻冷器(食品包装和灭菌柜)
- 成型
SH75液环压缩机专为无菌袋装机及其他应用的特殊技术需求而设计。其独特的叶轮设计使整体结构简便、安装和维护方便,占用空间较小。同时,不锈钢设计符合耐腐蚀性要求
主要应用
特征 | 好处 |
共轴设计 | 更紧凑的占地空间 |
椎体叶轮,无需分配板 | 更优的效率和性能 |
零件数量更少 | 长期可靠性,减少维保量 |
可达到的真空和压力 | 能够应对需要背压和真空的复杂应用 |
多种不锈钢材质供选择 | 材料多样性 |
全球统一设计 | 泵转速范围宽 |